随着电能的发供应以及发展,可以说人类的活动轨迹是处处都有电子设备,而电子设备之所以能够达到理想的工作,解决我们的问题,最大的特征就在于:电子设备中都有一个重要的部件,那就是电源电路,在这里我们对五种经曲的电源电路做一个简短的介绍。
一、稳压电路:
1. 3~25V电压可调稳压电路
该稳压电源的可调范围可在3.5V~25V之间任意设定,输出电流大,采用可调稳压管电路,输出电压良好稳定。
工作原理:经过整流滤波后,R1向调节管的基极提供 直流电压 ,使调节管导通。当 V1 被激活时,电压通过 RP 和 R2 激活 V2,然后 V3 被激活。V1,此时V2、V3的发射极和集电极电压不变(其作用与 稳压 管相同);改变RP可以产生稳定的输出电压;R1、RP、R2、R3的比值决定了该电路的输出电压值。
组件选择:
变压器T选用80W~100W,输入AC220V,输出双绕组AC28V。
FU1选择1A,FU2选择3A~5A。
VD1、VD2 选择 6A02。
RP使用 1W左右的普通电位器 ,阻值为250K~330K。
C1选用3300?F/35V电解电容,C2和C3选用0.1?F独石电容,C4选用470?F/35V电解电容。
R1选用180~220Ω/0.1W~1W,R2、R4、R5选用10KΩ、1/8W。
V1选用 2N3055 ,V2选用3DG180或2SC3953,V3选用3CG12或3CG80。
3~25V电压可调 稳压电路

2. 10A 3~15V稳压可调电源电路
如果没有稳压电源,就不可能对计算机或电子产品进行大修。下面显示了一个稳压电源,其 直流电压 可以在 3 到 15 伏之间不断调整,最大电流为 10 安培。TL431 标准电压源集成电路,电压调节更精准 。如果没有特殊需要,基本可以满足典型的维护使用。电路如下图所示。

其工作原理分为两部分:固定的5V1.5A稳压电源电路和可从3V连续调节到15V的高精度大电流稳压电路。
第一部分的电路非常简单。C1电解电容将变压器次级 8V交流电压经硅桥QL1整流后的 直流电压 滤波 ,再由5V三端 稳压 块LM7805在输出端提供固定电压,无需任何调整。在检修电脑板的时候,这个5V1A稳压电源可以作为内部电源使用。
第二部分与普通的串联稳压电源类似,只是采用了具有温度补偿特性的高精度标准电压源集成电路 TL431 ,简化了电路,降低了成本,提高了稳压性能。
图中电阻R4、 稳压 管TL431、 电位器 R3产生一个不断可调的恒压源,为BG2的基极提供参考电压。稳压 管 TL431的稳定性 是由 稳压 值决定的,可以连续修改。如果想提高压电电源的可调电压范围,可以改变R4和R3的阻值,但变压器的次级电压也要提高。
变压器的功率可根据输出电流调整,二次电压在15伏左右。桥式整流整流管QL采用15-20A硅桥,结构紧凑,中心有安装螺钉,可直接安装在机箱铝板上,有利于散热。
调节管采用大电流NPN型金属壳硅管。在机箱允许的情况下,由于发热量大,请使用大散热器以增加散热面积。如果您不需要大量电流,则可以使用较低的功率。使用硅胶管可以减小体积。
滤波采用三个50V4700uF电解电容C5和C7并联,大电流输出更稳定。此外,这种电容器应该大量获得。50V4700uF也用于识别容量较小的。最好不要使用它。在频繁的电压波动或长时间不使用时,很容易出现故障。
最后,还有要考虑的电源变压器。如果没有能力自己绕线又找不到,可以用200W以上的现成开关电源更换变压器。通过这种方式可以进一步提高电压调节性能,同时保持较低的生产成本。其他电子元件没有具体要求,安装后无需过多调整即可顺利运行。
Ⅱ.开关电源
一、PWM开关电源集成控制 IC -UC3842工作原理

UC3842的内部框图和引脚图 如下图所示。UC3842采用 脉宽控制调制模式,工作频率固定。一共有8个引脚。以下是每个引脚的功能:
1引脚为误差放大器的输出端,采用外部阻容元件改善误差放大器的增益和频率特性。
2反馈电压输入端位于第二个引脚上。该引脚的电压与误差放大器同相端的 2.5V 参考电压进行比较,以产生控制脉冲宽度的误差电压。
3该引脚是电流检测的输入端点。当检测电压超过1V时,脉宽变短,导致电源间歇工作。
4定时端为管脚,外部阻容时间常数f=1.8/(RTCT)决定了内部振荡器的工作频率。公共接地端是脚。
6引脚为推挽输出端,内部图腾柱,上升下降持续时间仅为50ns,驱动能力1A。
7该引脚为 直流 电源的供电端,芯片功耗为15mW;具有欠压、过压锁定功能。
8引脚为50mA负载能力5V参考电压输出端。
UC3842 是一款 性能卓越、应用广泛、布局简单的 PWM 开关电源集成控制器。由于只有一个输出端,多用于音频端控制的开关电源。
UC3842上的电压输入端 为7脚,其起始电压范围为16-34V。当上电且VCC为16V时,输入电压施密特比较器向5V蕨类稳压器输送高电平,产生5V参考电压。电压。Vcc 可以在 10V 和 34V 之间变化而不会改变电路的工作状态,直到施密特比较器翻转到高电平(在芯片开始工作之后)。当 Vcc 低于 10V 时,施密特比较器翻转回低电平,电路停止工作。
当参考电压源有5V的参考电压输出时,参考电压检测逻辑比较器到达输出电路的高电平信号。同时,振荡器会根据引脚 4 的外部 Rt 和 Ct 参数发出 f=/Rt.Ct 振荡信号。该信号将直接连接到图腾柱电路的输入,而另一个将添加到 PWM 脉冲宽度到 RS 触发器的设置。电流检测比较器的输出端接位端,RS型 PWM的R端 脉冲宽度调制器。占空比调整控制端为R端。当R端电压升高时,Q端脉冲变宽,6脚发出的脉冲宽度也变宽(占空比增加);当R端电压下降时,Q端脉冲变窄,6脚发出的脉冲宽度也变窄(占空比减小);当R端电压下降时,Q端脉冲变窄,6脚发出的脉冲宽度也变窄(占空比减小)(占空比减小)。
该图描绘了每个 UC3842 点的时序。只有E点为高电平时才有信号输出,当a、b点均为高电平时,d点传高电平,c点传低电平;否则,d点送低电平,c点送高电平。② 输出电压采样信号,也称为反馈信号,通常与此引脚相连。当2脚电压上升时,1脚电压下降,R端电压也随之下降,使6脚脉冲变小;另一方面,引脚 6 上的脉冲变宽。
电流感应端为3脚;通常,一个微小的电阻采样电阻与功率管的源极或发射极串联;流过开关管的电流转换成电压,然后引入环境管脚。当负载短路或其他因素导致功率管电流增大,采样电阻上的电压超过1V时,6脚停止脉冲输出,从而保护功率管不受损坏。

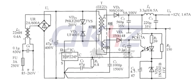
2、TOP224P构成的12V、20W开关 直流 稳压电源电路:
由TOP224P构成的12V、20W开关 直流 稳压电源电路如图所示。
该电路包括两块集成电路:TOP224P三端单片开关电源(IC1)和PC817A线性光耦(IC2)。交流电经UR和Cl整流滤波后产生直流高压Ui,为高频变压器T的初级绕组供电。
VDz1 和 VD1 通过将漏感引起的电压尖峰钳位到安全水平来降低振铃电压。VDz1采用P6KE200瞬态电压抑制器,反向击穿电压为200V,而VDL采用UF4005超快恢复二极管,反向击穿电压为1A/600V。
V、C2、L1、C3对次级绕组电压进行整流滤波,产生12V输出电压Uo。VDz2稳定电压Uz2、光耦中LED的正向压降UF和R1上的压降之和决定了Uo值。
改变高频变压器的匝数比和VDz2的稳压设置,得到不同的 输出电压。为了帮助在轻负载下进行负载调节,R2 和 VDz2 为 12V 输出提供了一个幻象负载。TOP224P所需的偏置电压由反馈绕组电压经VD3和C4整流滤波后给出。通过R2和VDz2调节控制端电流,改变输出占空比,实现电压调节。
共模扼流圈L2可以将初级绕组产生的与D端高压开关波形相关联的共模漏电流最小化。C7 为保护电容,用于滤除初级和次级绕组耦合电容产生的干扰。初级绕组电流的基波和谐波产生差模漏电流, C6降低了该电流。C5可以决定自启动频率,也可以滤除提供给控制端的峰值电流。与 R1 和 R3 一起,它还对控制回路进行补偿。

本电源主要技术指标如下:
交流输入电压范围u=85~265V;
输入电网频率fLl=47~440Hz;
输出电压(Io=1.67A)Uo=12V;
最大输出电流IOM=1.67A;
连续输出功率Po=20W(TA=25℃,或15W(TA=50℃);
电压调节率η=78%;
最大输出纹波电压±60mV;
工作温度范围TA=0~50℃。
三、DC-DC电源:
1. 3V转+5V、+12V电路:
大多数电池供电的便携式电子产品都采用低 电源电压 ,这减少了电池的使用数量,有助于实现降低产品尺寸和重量的目标。因此,通常使用 35%V 作为工作电压。稳压电源对于保持电路操作的稳定性和准确性至关重要。
当电路采用 5V 工作电压但需要更高的工作电压时,设计人员的工作就变得更具挑战性。本文介绍了一种通过组合两个升压模块和仅两个电池来解决此问题的电路。
该电路外围元件少,体积小,重量轻,可产生+5V和+12V的可靠输出,适合便携式电子设备的需要。+5V电源的最大输出电流为60mA,+12V电源的最大输出电流为5mA。

电路如上图所示。它由两个升压模块组成:AH805 和 FP106。AH805升压模块在3V供电时,输入1.2-3V,输出5V,可输出100mA电流。FP106是一款贴片升压模块,输入电压46%,设定输出电压291V,最大输出电流40mA。断电控制端子AH805和FP106均为电平控制。
两节1.5V碱性电池输出3V电压给AH805,AH805输出+5V电压,其中一个为5V输出,另一个输入到FP106产生28-30V电压,再经 稳压 管稳压后输出+ 12V电压。
通过改变稳压管的稳压 值 可以实现 不同 的输出电压 ,如图所示,应用灵活。FP106 上的控制断电端子为5pin。断电时用电量几乎为零。5pin加高电平>2.5V时通电;5pin加低电平0.4v时断电。
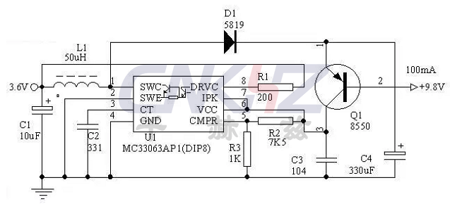
2.用MC34063制作3.6V转9V电路:
工作状态:
带负载,输出9.88V,50.2mA,输入3.65V,186.7mA,效率72%(相当于600mAH电池待机三年以上)。
工作原理:
IC的6脚 没有电源,空载时停止工作。输入端3.65V工作电流仅为18uA。(相当于600mAH电池待机三年以上)。8550的EC极在有负载(Q1有Ieb电流)时导通, IC 上电。类似于电池的负载的存在与否决定了 IC 是否工作。用IC做电压转换器效率高,输出稳定。
这个电路可以通过增加更多的电源来改进,可以作为“4.2V到5V不切换的移动电源”使用。您可以使用电池盒作为手机的备用电源。

四、充电电路:
1、LM358碱性电池充电器电路:
关于碱性电池是否可以充电,有两种观点。有人认为可以充电,而且效果很好。一些人声称它不应该充电,并且电池说明表明存在爆炸的风险。碱性电池可以充电,充电次数一般在30~50次之间。
事实上,掌握充电程序导致了两个截然不同的结果。首先,不可否认,碱性电池可以充电。同时,电池说明指出碱性电池不可充电,充电可能会导致爆炸。
这同样是正确的,尽管这里的短语“可能”会导致爆炸。也可以理解为制造商的自我保护免责声明。为碱性电池充电时,温度至关重要。只要电池能在不达到高温的情况下充电,就可以有效地完成充电过程。正确的充电技术需要考虑以下几点:
小电流50MA;
但充电1.7V,却放1.3V。
在尝试充电程序后,一些人断然表示他们无法被充电。充电器通常会导致诸如不充电、低功耗、液体泄漏和爆炸等问题。如果某些快充的充电电流大于200ma,电池温度会极高,摸起来会发烫,会漏光,严重的会爆炸。
有些人用镍氢充电电池充电器给他们的电池充电。自动充电停止不适用于低成本充电器。如果电池长时间过度充电,就会漏液和爆炸。更好的充电器提供自动充电停止功能,虽然 镍氢 充电电池的充电停止电压通常设置为 1.42V,而碱性电池的满电压约为 1.7V。
结果,如果电压过低,就显得电池无法充电,耗电时间短,影响不大。然后是电池,这意味着你不应该等到它完全没电再充电。结果,再好的电池,充三五次,效果还是一般。
一般推荐使用不低于1.3V的南孚碱性电池。如果要给碱性电池充电,则需要充电电流约为 50 毫安、充电截止电压约为 1.7 伏的充电器。看看你家的充电器。
市场上可以买到通常被称为专利设备的特殊碱性电池充电器。实际上,充电电压为1.7V,电流为50ma,电路很简单。 我使用手头的LM358和 TL431部件创建了一个基本电路 。当截止电压达到 1.67V 时,充电自动终止。只需两块钱。为了那些可能感兴趣的人的利益。

特征:
开路电压为1.5V;
工作温度范围在-20°C到60°C之间,适合高寒地区使用;
大电流下的连续放电容量约为酸性锌锰电池的5倍。
它还具有优异的低温放电性能。充电循环次数通常少于30次,从10次到20次不等。它需要一个独特的充电器,而且很容易失去充电能力。
2. 2.75W中功率USB充电器电路
设计中使用了Power Integrations 的 LinkSwitch 系列 的 LNK613DG 。此设计适用于手机或类似的 USB 充电器应用,例如手机电池充电器、USB 充电器或任何需要恒定电压/恒定电流特性的应用。
交流输入由二极管D1 至 D4 整流,直流由电容器 C1 和 C2 滤波。为降低差模传输 的EMI 噪声,L1、C1 和 C2 组成一个 - 型滤波器。这些与 Power Integrations 的变压器 E-sheild 技术相结合,使该设计能够轻松满足 EN55022 B 类传导 EMI 要求,并具有足够的余量,而无需使用 Y 电容器。RF1 绕线电阻器具有防火、可熔性,并提供关键故障保护以及限制启动期间的浪涌电流。

U1 由可选偏置电源供电,可将空载功耗降至 40 mW 以下,如图所示。电缆压降补偿量由旁路电容C4的值决定。1F 的补偿值对应于 0.3、24 AWG USB 输出电缆。(10F 电容器根据 USB 输出电缆的 0.49、26AWG 规格进行调整。)
输出电压在恒压阶段通过开关控制进行调节。通过跳过开关周期,输出电压得以维持。可以调整启用与禁用周期的比率以保持调节。这也使得优化转换器在整个负载范围内的效率成为可能。在轻负载(涓流充电)下,电流限制也会降低,以降低变压器磁通密度,从而降低可听噪声和开关损耗。电流限制将随着负载电流的增加而增加,并且将跳过更少的周期。
当不再跳过开关周期(达到最大功率点)时,LinkSwitch-II 中的控制器将切换到恒流模式。当负载电流需要增加,甚至更多时,输出电压会下降。FB 引脚电压受输出电压下降的影响。
为了防止漏感引起的漏极电压尖峰,D5、R2、R3和C3构建了一个 RCD -R钳位电路。为了消除漏感引起的漏极电压波形的振荡,电阻R3具有相当大的值,以防止在关断期间过度振荡并降低传导EMI。
次级经二极管D7整流,经二极管C7滤波。C6 和 R7 协同工作, 通过限制 D7 上的瞬态电压尖峰,最大限度地减少传导和辐射EMI 。当充电器与交流电源断开时,电阻器 R8 和 齐纳 二极管 VR1 形成输出虚拟负载,确保空载时的输出电压在可接受的范围内,并且电池不会完全放电。反馈电阻R5 和 R6 设置恒压级的最大工作频率和输出电压。
Ⅴ. 恒流源
1、三线制恒流源驱动电路
温度传感器Pt1000由恒流源驱动电路驱动,该电路将随着温度变化检测到的电阻信号转换为可量化的电压信号。本系统要求的恒流源应具有恒定的输出电流,温度稳定性好,输出电阻大,输出电流小于0.5mA(Pt1000无自热效应的上限),负载一端接地,除其他外,输出电流的极性可以改变。特征。
由于温度对集成运放参数的影响比对晶体管或场效应管参数的影响要小,因此由集成运放组成的恒流源具有卓越的稳定性和更高的恒流性能。它已被广泛采用,特别是在负载的一端必须接地的情况下。因此,图 2 显示了一个双运放恒流源。UA1为加法器,UA2为跟随器,UA1和UA2均采用OP07双极性运放,具有低噪声、低失调、高开环增益。

假设图2中参考电阻Rref的上下两端的电位分别为Va和Vb,Va为同相加法器的输出。当使用电阻R1=R2和R3=R4时,得到Va=VREFx+Vb,产生恒定电流。源的输出电流为:
可以证明双运放恒流源具有以下显着特点:
负载可接地;
当运算放大器由双电源供电时,输出电流是双极性的。
通过改变输入参考VREF或调整参考电阻Rref0的大小可以简单地获得稳定的小电流和补偿校准,通过改变输入参考VREF或调整参考的大小容易获得恒定电流电阻Rref0。
由于电阻不匹配,参考电阻Rref0两端的电压会受到驱动负载端电压Vb的影响。同时,由于是恒流源,负载变化时Vb无疑会发生变化,影响恒流源的稳定性。显然,对于高精度恒流源来说,这是无法接受的。因此,四个电阻R1、R2、R3和R4之间的失配应尽可能小,并且每对电阻之间失配的大小和方向应保持一致。在实际应用中,可以筛选出大量同批次的精密电阻,可选择阻值相近的4个电阻。
2、开关电源型高耐压恒流源电路:
该仪器的创建需要使用能够在 0 到 3 兆欧的电阻范围内产生 1MA 电流的连续电流源。一个是使用 UC3845 和 12V 电池构建的。变压器采用彩电高压包,L1用漆包线绕原高压包铁芯24圈,L3用原高压包线圈,L2用高压元件原装高压包。为防止输出电压过高,L3与LM393组成限压电路。开路输出电压可以通过调节R10来调节。
